圆形电连接器
矩形电连接器
真空密封连接器
防爆光纤连接器
大电流接插件
新研制开发产品
- Y2系列航空插头
- Y11系列电连接器
- Y50系列航空插头
- XC系列信号连接器
- YMG船用电连接器
- GJB598电连接器
- GJB599电连接器
- Y27航天电连接器
- 其他型号电连接器
- J7矩形电连接器
- J14矩形电连接器
- J27A矩形电连接器
- J30J矩形电连接器
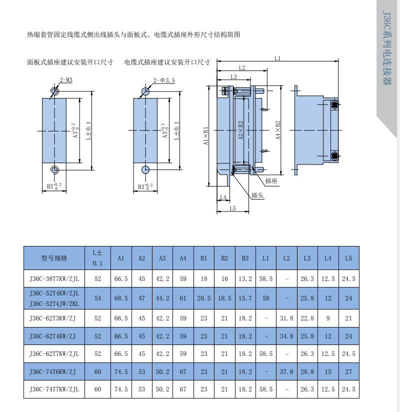
- J36矩形电连接器
- J63微矩形连接器
- CY23印制板矩形连接器
- 螺旋卡口式连接器
- 推拉式锁紧连接器
- 螺纹锁紧连接器
- 隔爆型防爆连接器
- 无火花型防爆连接器
- 气密型防爆连接器
- 多芯光纤连接器
- 单芯大电流连接器
- 多芯大电流连接器
- 新能源汽车连接器
- 矩形真空密封连接器
- 野战光钎连接器
- J599多芯光纤连接器
- 深水密封电连接器
- 小型矿用连接器,防爆插头
【 微信扫码咨询 】
133-7603-5730
0523-87599616
时间:2023-01-09 阅读:152 来源:智远光电
上一产品:J36B系列矩形电连接器
下一产品:没有了
手机热线
13376035730
邮箱地址
jshkct@sina.com
公司电话